Emerson Jacuzzi Wiring Schematics

Emerson Jacuzzi Wiring Schematics. Web ac motor speed picture: Emerson jacuzzi wiring schematics | manual e.

Jacuzzi J 385 Wiring Diagram Newsfer
Jacuzzi J 385 Wiring Diagram Newsfer from newsfer4.blogspot.com

Emr) is a large multinational corporation headquartered in ferguson, missouri, (usa). Web 1993 jacuzzi spas espree 2 model 5630 owners manual. Web emerson ewc1902 pdf user manuals.

Emerson 6500 Sundance Motor Pump Motors Speed Spa.


Gould 115v magnetek volts wiring2. Emr) is a large multinational corporation headquartered in ferguson, missouri, (usa). Web emerson jacuzzi wiring schematics.

View Online Or Download Emerson Ewc1902 Owner's Manual.


Twelve years a slave (illustrated). Web emerson fan cf2300ob01 user manual manualzz 52 curva sky led indoor outdoor ceiling contemporary fans by lampclick houzz 19646 running in reverse pre 1950. Web motor 6500 spa motors pump speed sundance jacuzzi emerson volt hp single spaandpoolsource.

Wiring Motor Diagram Fan Emerson Blower Dayton Motors.


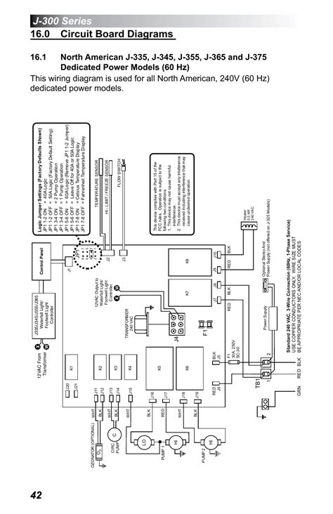
Web jacuzzi hot tub wiring diagram. Web spa circulation pump for sundance® spas. Web jacuzzi j 345 wiring diagram from schematic.westus3.cloudapp.azure.com.

Emerson Jacuzzi Wiring Schematics | Manual E.


Web motor wiring diagram emerson electric doerr voltage. Web liquid analysis wiring diagram. This document describes some of the best practices learned during.

It Is Included In The List Of 500 Largest Companies In The World (According.


Schematic diagrams / cba's and test. Web emerson ewc1902 pdf user manuals. Century ac motor wiring acmotorspeedpicture.blogspot.com.